Spaceflight Liquid Interactive Control Experiment

Aug 2025 - Dec 2025

The Spaceflight Liquid Interactive Control Experiment (SLICE) is a human-tended payload used to research the wetting behavior of liquids in zero gravity during a Virgin Galactic flight. This research is geared towards NASA’s push for “green” propellants for future space missions.

Objectives

The payload consists of a box containing four test chambers, which are systematically filled with liquids using a series of pumps and linear actuators. During flight, the wetting behavior of the liquids is observed following the procedure shown on the left. Mariana’s engineering team was responsible for refining the test chamber geometry, evaluating structural layout modifications, allocating internal volume for cameras and mirrors, and designing the fluid-handling system.

CAD Model

Mariana’s team developed a comprehensive CAD model of the payload that incorporated mirrors, cameras, and updated test chambers. The cameras were added to enable recording of the bottom surfaces of the test chambers. A transparent lid was also included to allow the test operator to visually monitor the setup while conducting the experiment in flight.

SLICE Payload CAD model

Pump System

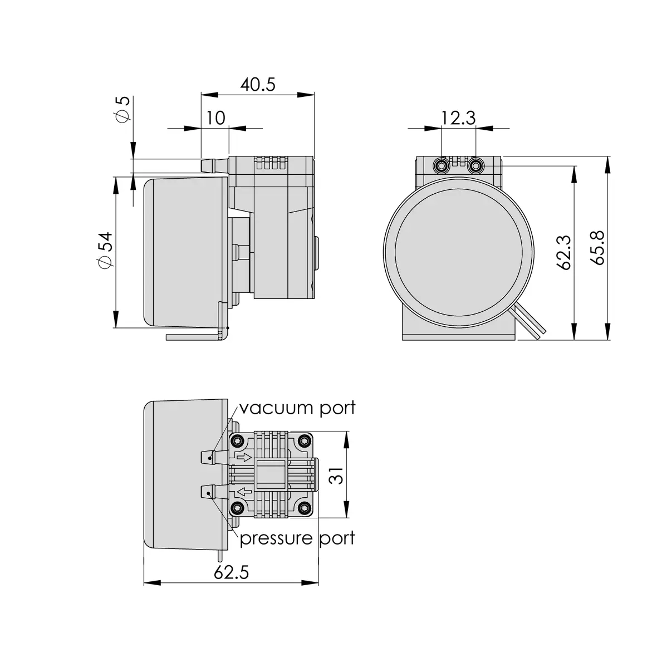
A major component of the experiment involves transferring liquid from its reservoirs into four test chambers during the boost phase, which experiences approximately 3 g of horizontal acceleration. The liquid must fill each chamber within a 30-second time constraint and reach a sufficient volume to contact the moving plates inside the chamber. In addition, the selected pumps must comply with Virgin Galactic electromagnetic interference (EMI) constraints.

Mariana’s team was responsible for identifying pump types suitable for these requirements. They determined that a minimum flow rate of 300 mL/min was required to fill the chambers within 30 seconds. After researching multiple pump systems and contacting manufacturers for additional information, the Welco WPM1 pump was evaluated but ultimately rejected due to its overall size and insufficient maximum flow rate of 270 mL/min. The Schwarzer Precision SP 620 EC-BL-L eccentric diaphragm pump was ultimately selected, as it satisfied the flow rate, dimensional, and EMI criteria for the experiment.

SP 620 EC-BL-L dimensions, in mm

CAD size comparison between Welco WPM1 (left) and SP 620 EC-BL-L (right)